摘要
針對較低級聯數的多電平電流源變流器,為減小開關損耗和降低諧波分量,引入一種基于低頻與高頻混合調制策略的單相多電平電流源變流器的拓撲。低頻單元由共享直流電流源的m個H橋子模塊級聯,各子模塊平均分配直流源能量,采用最近電平調制;低頻單元用來消除最近電平調制單元輸出階梯波中的諧波分量,采用脈寬調制;該方法綜合了最近電平調制和脈寬調制的優點。對所提拓撲的工作原理、均流算法及混合調制策略進行了深入分析,并進行相應的仿真和實驗驗證。仿真和實驗結果表明所引入拓撲能顯著的降低諧波含量,同時減小開關損耗,由此驗證了所提拓撲和控制方法的有效性和可行性。
引言
隨著工業發展的需求和全控型功率器件的進步,大功率變流器在國民經濟生產中的應用越來越廣泛。當前,電壓源變流器的直流側儲能單元電容在體積、成本以及儲能效率方面存在顯著優勢,使得電流源變流器(current source inverter,CSI)的受關注程度較低。但CSI具有直流側儲能單元的壽命較長,能夠直接對輸出電流進行控制等優點;且同一橋臂允許直通,使其具備短路保護能力[1-2]。日后超導磁儲能系統[3-4](superconductive magnetic energy storage,SMES)的發展還將解決電感儲能效率這一關鍵問題,因此,CSI具有廣闊的應用前景。
目前,對多電平電流源變流器(multilevel current source inverter,MCSI)的研究主要集中在電路拓撲構造和調制方法上。MCSI拓撲主要有直接式[5-7]和級聯式[8-9]2種,直接式MCSI通過合理的開關組合獲得多電平的輸出電流,其缺點是隨著電平數的增加,找到一種合理的開關組合方式比較困難,且不能簡單采用常規的調制方法;而級聯式MCSI通過疊加多個CSI單元的輸出得到多電平電流,易于擴展到更多電平和引入優秀的調制方法。
MCSI的調制方法[10]主要從多電平電壓源變流器“移植”而來,按開關頻率可分為高頻和低頻2類。高頻調制輸出電流諧波含量低,但開關損耗較
大,主要有載波移相脈寬調制(carrier phase shifting sine pulse width modulation,CPS-SPWM)和空間矢量脈寬調制(space vector pulse width modulation,SVPWM),其中SVPWM算法復雜度隨電平數的增多大幅增加,研究限于5電平以下。低頻調制開關損耗較小,但諧波次數較低、含量較大,且動態響應差,主要有階梯波調制和特定諧波消除調制。目前最近電平逼近調制[11](nearest level modulation,NLM)這種運算量小的調制方法還沒有應用在MCSI上,且都采用單一的高頻調制或低頻調制。
當前對于MCSI的研究主要是理想狀態下的開關設計,對于分流電感的均流問題研究較少。]提出MCSI使用載波移相調制時通過交換載波實現均流,該方法為開環控制,精度低。文獻[13]提出使用SVPWM調制時通過冗余矢量分配實現均流,限于算法復雜度,比較適合5電平電流源變流器。文獻[14]提出的調制波自適應修改方法會增大輸出電流的畸變率。文獻[15]將排序算法用于采用CPS-SPWM的模塊化多電平電流源變流器中,該算法不受電平數影響,易于擴展,動態性能好。
針對多電平電流源變流器拓撲以及調制方法方面的優缺點,本文引入了基于NLM與PWM混合調制的級聯式拓撲,該拓撲適合較少電平MCSI。NLM單元子模塊共用直流電流源,PWM單元子模塊與NLM單元并聯,低頻+高頻的調制組合綜合了2種調制方法分別在開關損耗和諧波含量方面的優點。低頻模塊采用排序算法平衡各分流電感上的電流,保證變流器的正常工作。高頻PWM調制模塊起到補償低頻模塊輸出電流諧波,降低諧波畸變率的作用。最后在Matlab/Simulink中對本文所提出的拓撲以及控制算法進行仿真驗證并采用dSPACE控制器進行硬件實驗,結果表明本文所提拓撲以及控制算法是行之有效的。
電路拓撲及工作原理
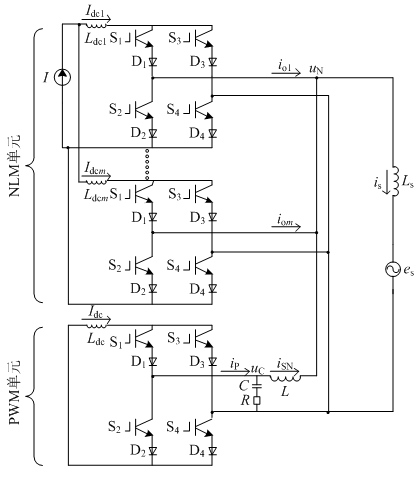
本文引入的基于單相H橋的級聯電流源變流器系統如圖1所示,系統的NLM單元由m個子模塊級聯構成,每個子模塊由分流電感和1個H橋單元組成,共享一個直流電流源,PWM單元是獨立的H橋子模塊,起到消除諧波的作用。
圖1中:I為變流器NLM單元直流側電流源電流;IdcmIdcm(m為正整數)為NLM單元子模塊直流側電流;iomiom為NLM單元子模塊輸出電流;IdcIdc為PWM單元直流側電流;iPiP為PWM單元交流側輸出電流;iSNiSN為PWM單元輸出補償電流;iSiS為網側電流;eSeS為電網電壓;uNuN為交流側公共連接點電壓;uCuC為PWM單元交流側電容電壓;LdcmLdcm為NLM單元直流

圖1 主電路拓撲結構
側分流電感;LdcLdc為PWM單元直流側電感;LSLS為連接電感;L、C、R分別為PWM單元濾波電感和電容以及無源阻尼電阻。
為使NLM單元直流電流源的能量平均分配在m個子模塊上,應滿足
Idcm=I/m=I1Idcm=I/m=I1 (1)
式中I1為各子模塊分流電感理論電流值。
則單個子模塊的輸出電流值iomiom可表示為
iom=σI1iom=σI1 (2)
式中σσ為開關函數,由各個子模塊功率器件的導通情況確定,如表1所示。

表1 子模塊工作狀態
NLM單元的輸出總電流等于各個子模塊輸出電流之和iN,可表示為
iN=∑iomiN=∑iom (3)
NLM調制策略
NLM控制算法的基本思想是:通過瞬時電平疊加生成的階梯波來逼近正弦調制波,N電平電流源變流器最近電平調制下的原理圖如圖2所示。
圖2中,輸出電流波形f(t)f(t)為奇函數,且f(t)=f(T/2−t)f(t)=f(T/2−t),即f(t)f(t)關于T/4偶對稱,第一個1/4周期各時間區間投入子模塊數及輸出總電流值如表2所示。

圖2 NLM原理圖

表2 各時間區間投入子模塊數及輸出總電流值
理論上為了使階梯波盡可能地逼近正弦調制波,應通過約束F=min∫(f(t)−g(t))2dtF=min∫(f(t)−g(t))2dt求出最優的子模塊投入個數和切換時刻tktk(k=1,…,N),但該方法需先離線求解,因此本文選擇對正弦參考信號采用就近取整(round函數)的方法,來確定不同時刻投入子模塊的個數,具有可在線計算、動態響應快等優點。
設調制波g(t)=Nsin(ωt)g(t)=Nsin(ωt),則階梯波f(t)f(t)為
f(t)=round [ g(t)]f(t)=round [ g(t)] (6)
NLM算法子模塊投入個數切換時刻的數學表達式為
tk=1ωarcsin(2k−12N)tk=1ωarcsin(2k−12N) (7)
因此NLM階梯波傅里葉級數展開,可得
f(t)=∑n=1+∞bnsin(nωt)f(t)=∑n=1+∞bnsin(nωt) (8)
其中
bn=2[(−1)n−1] π n[Ncos( π n2)−∑k=1Ncos(nωtk)]bn=2[(−1)n−1] π n[Ncos( π n2)−∑k=1Ncos(nωtk)] (9)
當n為偶數時bn=0bn=0,n為奇數時
bn=4 π ∑n=1,odd+∞∑k=1N∑r=0n1nCrn[1−(2k−12N)2]12(n−r)⋅(2k−12N)rcos π r2bn=4 π ∑n=1,odd+∞∑k=1N∑r=0n1nCnr[1−(2k−12N)2]12(n−r)⋅(2k−12N)rcos π r2 (10)
本文以4個H橋級聯的NLM單元為例,可得
iN=4I1 π ∑n=1,odd+∞∑k=14∑r=0n1nCrn[1−(2k−18)2]12(n−r)⋅(2k−18)rcos π r2sin(nωt)iN=4I1 π ∑n=1,odd+∞∑k=14∑r=0n1nCnr[1−(2k−18)2]12(n−r)⋅(2k−18)rcos π r2sin(nωt) (11)
其中,基波分量的表達式為
iNf=4I1 π ∑k=14[1−(2k−18)2]12sin(ωt)iNf=4I1 π ∑k=14[1−(2k−18)2]12sin(ωt) (12)
諧波分量的表達式為
iNh=4I1 π ∑n=3,odd+∞∑k=14∑r=0n1nCrn[1−(2k−18)2]12(n−r)⋅(2k−18)rcos π r2sin(nωt)iNh=4I1 π ∑n=3,odd+∞∑k=14∑r=0n1nCnr[1−(2k−18)2]12(n−r)⋅(2k−18)rcos π r2sin(nωt) (13)
其基波和各次諧波含量的理論值如圖3所示。

系統穩定性分析
NLM單元輸出與電網電壓頻率相位相同的階梯波電流,但本文的NLM單元級聯的H橋子模塊數較少,輸出電流的諧波含量較大,可以等效為一個諧波電流源[16];PWM單元采用直接電流控制,相當于一個受控電流源,輸出一個與NLM單元輸出電流諧波分量大小相等、方向相反的補償分量;NLM和PWM單元的輸出電流疊加后的總輸出電流只含有基波分量。圖1所示拓撲交流側可簡化為如圖4所示的等效電路圖。

圖4 系統等效電路圖
分析圖4所示系統的動態響應,可將傳遞結構分解為3部分,為
W1(s)=RCs+1(L+LS)Cs2+RCs+1W1(s)=RCs+1(L+LS)Cs2+RCs+1 (14)
W2(s)=LCs2+RCs+1(L+LS)Cs2+RCs+1W2(s)=LCs2+RCs+1(L+LS)Cs2+RCs+1 (15)
W3(s)=Cs(L+LS)Cs2+RCs+1W3(s)=Cs(L+LS)Cs2+RCs+1 (16)
IS(s)=W1(s)IP(s)+W2(s)IN(s)+W3(s)ES(s)IS(s)=W1(s)IP(s)+W2(s)IN(s)+W3(s)ES(s) (17)
式中:IS(s)IS(s)、IP(s)IP(s)、IN(s)IN(s)和ES(s)ES(s)分別為iSiS、iPiP、iNiN和eSeS的Laplace像函數。
根據表3參數繪制的W2(s)W2(s)的Bode圖(圖5),可見即使PWM單元是理想的受控電流源,iSiS依然會在ωn=1/(L+LS)C−−−−−−−−−−−√ωn=1/(L+LS)C處產生并聯諧振,通過在PWM單元的電容支路串聯阻尼能有效地起到抑制諧振峰的作用[17],阻尼比ξ=(R/2)C/(L+LS)−−−−−−−−−−√ξ=(R/2)C/(L+LS)。

圖5 W2(s)的Bode圖
圖4系統的穩定性由W1(s)W1(s)、W2(s)W2(s)及W3(s)W3(s)這3部分傳遞函數共同決定,但當電網電壓ES(s)ES(s)穩定時,可忽略其對控制系統的動態影響。因此,可以忽略W3(s)W3(s),則該系統的穩定性由W1(s)W1(s)和W2(s)W2(s)決定,根據表3的系統仿真參數繪制
系統控制策略
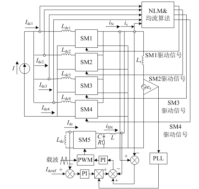
4.1 系統控制框圖
本文系統的控制框圖如圖7所示,圖7中的SM1-SM5為圖1中的H橋子模塊,其中SM1-SM4

圖6 W1(s)和W2(s)的Bode圖

圖7 系統控制框圖
為采用最近電平調制的低頻子模塊,各低頻子模塊的分流電感電流和網側電流經過NLM調制和均流控制確定各子模塊的工作狀態;SM5為采用PWM調制的高頻子模塊,其通過雙閉環的直接電流控制策略確定工作狀態;2部分協調控制,達到降低諧波畸變率和減小開關損耗的效果。
4.2 NLM單元均流措施
由子模塊的拓撲和調制原理,直流側電壓與交流側電壓可由開關函數描述,即
Ldcmdidcmdt=σuNLdcmdidcmdt=σuN (18)
idcm=1Ldcm∫σuNdt=MUN2Ldcm∫[cosφ−cos(2ωt+φ)]dtidcm=1Ldcm∫σuNdt=MUN2Ldcm∫[cosφ−cos(2ωt+φ)]dt (20)
可以看出,各子模塊直流側電感電流大小與直流側電感值、調制比等有直接聯系。
NLM算法僅能計算出投入子模塊的個數,而不能確定具體哪幾個模塊投入,且各個H橋子模塊的投切時刻和投入時間存在差異[18],這使得分流電感上的電流不均衡,而直流側電感電流的均衡是保證本文變流器正常運行的必要條件。因此采用排序算法確定各個子模塊的投入和切除狀態,其均流的精度與采用的排序算法模型有關,且在相同的排序算法模型下,排序的頻率也會影響均流的精度[19],本文所采用的排序算法其具體流程如圖8所示。

圖8 均流算法流程圖
直流側分流電感電流變化原則:開關函數σ=0σ=0的子模塊,直流側通過S1和S2或S3和S4續流,直流側分流電感電流增大;開關函數σ=±1σ=±1的子模塊,電流源和直流側分流電感給PWM單元和網側連接電感充電,直流側分流電感電流減小;當所有子模塊都投入或旁路時,則各個子模塊維持原電流值。
4.3 PWM單元控制策略
PWM單元控制由內外2個電流環組成,外環是將直流側參考電流值與直流側實際電流值做差,其差值經過PI調節后乘以一個電網電壓的相位得到有功參考,起到穩定PWM直流側電流的作用。接著將有功參考量與需要補償的諧波分量相加得到內環的電流參考值,與PWM單元的輸出電流iSNiSN相減,經PI環節組成電流內環,實現對輸出諧波補償電流的跟蹤控制。為抑制IdcIdc波動對控制響應的影響,內環的PI輸出應除以IdcIdc進行單位化。PWM單元的忽略電網電壓擾動的簡化雙環傳遞函數如圖9所示,其中,PI1(s)和PI2(s)為PI控制器的傳遞函數,KPWM為變流器的比例增益,ζζ為調制比。
因此,可以忽略W3(s)W3(s),則該系統的穩定性由W1(s)W1(s)和W2(s)W2(s)決定,根據表3的系統仿真參數繪制
仿真與實驗驗證
5.1 仿真驗證
為驗證所提出方法的有效性,本文在Matlab/Simulink中搭建了電流源變流器并網的仿真模型。系統仿真參數如表3所示。

表3 系統仿真與實驗參數
圖10(a)為NLM單元輸出的階梯波形,可以看出該階梯波由4個H橋的輸出電流疊加而成,總共為9電平。由于NLM單元并聯的H橋子模塊數較少,輸出電流的電平數不夠多,降低諧波的效果不是很顯著,其諧波畸變率達到了9.48%(圖9(b)),這與理論分析的THD值(圖3)基本上一致,因此需要在變流器的交流側并聯一個PWM單元,起消除階梯波中諧波的作用,進一步地改善電流波形。
本文采用NLM+PWM的混合調制策略,
圖11(a)為NLM單元與PWM單元的輸出電流疊加后總的輸出電流波形,可以看出,NLM+PWM單元總的輸出電流與正弦波的擬合度更高。從其諧波頻譜分析圖(圖11(b))可知,各次諧波都有減小,其總的THD=2.73%,與單純的階梯波輸出相比其諧波畸變率得到了明顯改善。
圖12為PWM單元輸出的補償電流波形,其與NLM單元輸出階梯波中的諧波分量大小相等、方向相反,起到了降低輸出電流諧波畸變率的作用。
圖13(a)為NLM單元子模塊開關函數,圖13(b)為NLM單元直流側分流電感上的電流波形,兩圖處于同一時間軸坐標,由于NLM單元輸出電流的

圖10 NLM單元輸出電流波形及諧波分析

圖11 NLM+PWM單元疊加后輸出電流波形及諧波分析

圖12 PWM單元輸出的補償電流波形
對稱性,取1/4周期分析,其余3/4周期類似??梢钥闯霎擭LM單元投入0個子模塊時,4個子模塊都旁路,各子模塊維持原電流值;投入1個子模塊時,投入的那1個子模塊電感電流減少,其余
3個子模塊電感電流增大;投入2個子模塊時,投入的那2個子模塊電感電流減少,其余2個子模塊電感電流增大;投入3個子模塊時,投入的那3個子模塊電感電流減少,其余1個子模塊電感電流增大;投入4個子模塊時,4個子模塊狀態一致,各子模塊維持原電流值。
圖14為PWM單元直流側的電感電流波形,經電流外環PI控制后,直流側電流在50 A周圍上下波動,基本穩定在了50 A,確保了裝置的可靠運行并平穩地輸出諧波補償電流。

圖14 PWM單元直流側電流波形
5.2 實驗驗證
為驗證所提拓撲和控制方法的有效性,根據
圖1拓撲結構搭建實驗樣機,由于實驗條件限制,搭建的實驗樣機NLM單元采用2個子模塊,其公共直流側采用10 A的直流電流源,具體實驗參數如表3所示。實驗裝置使用dSPACE作為控制系統,dSPACE處理器板采用DS1006,A-D采樣板選用模數轉換板DS2003,DS5101板卡負責產生驅動信號。
圖15(a)從上至下依次為系統網側電壓eS、NLM單元和PWM單元輸出電流疊加后的網側電流iS、NLM單元輸出電流iN和PWM單元輸出的補償波形iSN。圖15(b)為網側電能參數,功率因數為0.97,基本實現了單位功率因數。圖15(c)為iN的THD,由于實驗只采用2個H橋級聯的NLM單元,其THD較大,達到了16.5%。圖15(d)為iS的THD圖,經過PWM單元的諧波補償作用,不僅使iS實現了正弦化,而且THD降為10.7%,效果顯著。

圖15 系統交流側各實驗波形及其分析

圖16為各子模塊直流側電流,Idc1和Idc2這
2個NLM單元的子模塊電流通過排序算法實現了均流效果,PWM單元的直流側電流Idc通過內外電流的雙閉環控制也實現了穩流。
結論
本文引入的NLM+PWM的混合調制拓撲,綜合了NLM和PWM調制的優點,NLM單元的工作頻率相對較低,減小了功率器件的開關損耗;PWM單元則對輸出電流階梯波的諧波分量進行了有效地補償,減少了輸出電流的諧波含量。控制方法方面NLM單元直流側采用排序算法,有效地實現了直流側分流電感電流的平衡;PWM單元采用直接電流控制方法,具有較好的響應速度和控制精度。仿真和實驗結果有效地驗證了所提拓撲及其控制方法。柴油發電機組